HMC脉冲单机除尘器
一、概述
HMC型脉冲单机除尘器是我公司消化吸收国内外同类产品经改进后设计而成的小型袋式除尘器.除尘器采用脉冲喷吹的清灰方式,具有清灰效果好、净化效率高、处理风量大、滤袋寿命长、维修工作量小、运行安全可靠的优点。广泛应用于冶金、建材、机械、化工、矿山等各种工矿企业非纤维性工业粉尘的除尘净化与物料回收。
本系列除尘器共有六个规格,每种规格又可分为标准带灰斗A型和敞开法兰(无灰斗)B型二种。其结构主要由过滤室、滤袋、净化室、灰斗、翻板阀、脉冲喷吹清灰装置、电控柜等组成,箱体全部 采用焊接结构。检修门用泡沫胶条密封,保证除尘器密不漏风。
该产品有六种规格,过滤面积从24—84m2,处理风量从1500m3/h—9000m3/h,按用户实际需要,也可专门设计。
二、构造结构特点
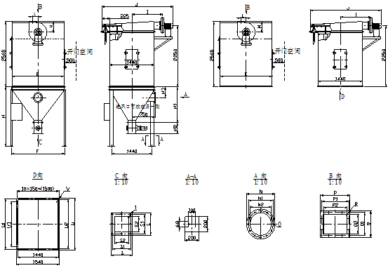
除尘器本体由壳体、滤袋总成、喷吹清灰装置、排灰装置四个部分组成。
壳体部分由上箱体、中箱体、灰斗、进出风口组成。
滤袋总成由滤袋、滤袋框架等组成。
喷吹清灰装置由气包、喷吹管、脉冲阀、电磁控制阀、电控仪等组成。
排灰装置由电机、减速器、螺旋输灰机、星形卸料阀组成。
脉冲阀I型采用直角脉冲阀,II型采用直通脉冲阀,减少了脉冲阀自身的阻力,是一种较理想的脉冲喷吹形式。
三、工作原理
HMC型除尘器的进风口设在灰斗上,当含尘气体从进风口进入灰斗后首先碰上进风管端部的挡板,由于惯性作用,使气体中粗颗粒粉尘直接进入灰斗,起到预收尘的作用。进入灰斗的气流随后折而向上通过内部装有金属骨架的滤袋,粉尘被收集在滤袋的外表面,净化后的气体进入滤袋室上部的清洁室,汇集到出风管排出。室内收尘袋分为若干排,按照给定的时间间隔对每排收尘袋进行清灰。当脉冲阀开启时,即向滤袋内喷入高压空气,以清除滤袋表面上的粉尘。各排滤袋的脉冲喷吹宽度和清灰周期,由专用的清灰程序控制器自动连续控制。除尘器的构造和工作原理参见附图。
含尘气体由灰斗(或下部敞开式法兰)进入过滤室,较粗颗粒直接落入灰斗或灰仓。
四、型号说明
五、主要技术性能参数

六、安装要求
1.箱体与灰斗由定位螺栓锁紧、整平,现场焊接,焊后不得漏气(A型);B型直接安装在扬尘点上。
2.气包脉冲阀与连接管之间不得漏气;
3.滤袋安装
首先打一上盖板,拆下喷吹管,手拿滤袋上口,将,布袋上口的凹形卡圈紧贴嵌在花板孔中,松开手,滤袋紧扣在花板上,再检查袋口与花板孔的密封性;然后把滤袋骨架插入滤袋中;最后安装喷气管,使喷气孔对准滤袋口中心,固定喷气管上的螺母,盖好上盖板。
七、维护管理要求
1.制订维护管理值班制度,值班人员要记录运行情况。经常检查电控清灰装置运转是否正常,必要时调整清灰时间,以保证清灰效率。
2.定期检查压缩空气系统运行是否正常,气源压力是否稳定,是否符合要求。
3.随时观察烟尘的排放浓度,如发现冒灰,应及时检查滤袋破损情况和过滤室密封情况,堵塞漏气孔隙,补袋或换新袋。
4.除尘器停机前,应对滤袋清灰一次,清除袋上积灰。
八、订货要求
1、订货时,客户请写清楚规格、型号,最好同时提供粉尘治理点的工况参数,便于更好地为客户服务。
2、如客户委托我公司选型设计,应在合同中注明,具体事宜与我公司营销部联系。
3、设备供应范围:
a.主机设备: 以进出口法兰为界,下部以灰斗卸灰法兰为界,气路部分以分气箱进气口为界;
b.附件设备:定时清灰控制器
c.随机文件:产品说明书、安装图、产品合格证;
d.本公司遵循不断完善产品性能的原则,对产品规格、性能不断改进,或许难以及时通知阁下。若技术参数与样本不符,以随机技术文件为准
九、外部参数及联接尺寸

HMC型脉冲单机袋式除尘器外形图